Năng suất tối đa 4 kg tổ yến/mẻ.
Thiết bị
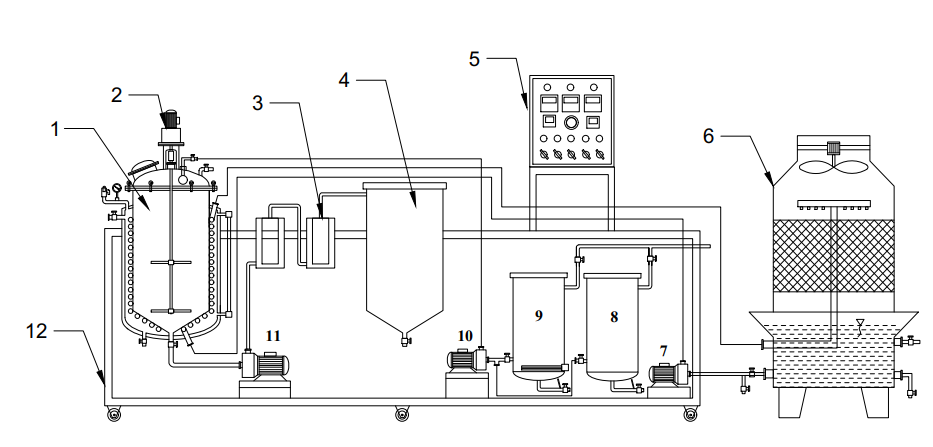
Thiết bị chiết xuất tổ yến
Nhà cung ứng: Trường đại học Công Thương TP.HCM
Danh mục: Công nghệ thực phẩm
Nguyên lý hoạt động hệ thống chiết xuất tổ yến được thực hiện qua các bước chính:
1. Hệ thống chiết xuất được bộ phận CIP (8,9,10) làm sạch trước khi thực hiện quá trình chiết xuất tổ yến.
2. Tổ yến đưa vào hệ thống chiết xuất qua cửa nạp liệu của tank chiết xuất (1). Cơ cấu khuấy (2) được hoạt động qua bảng điều khiển (5) giúp quá trình chiết xuất được diễn ra hiệu quả.
3. Quá trình chiết xuất được thực hiện tự động với enzym đặc hiệu cho chiết xuất tinh chất từ tổ yến. Nhiệt độ được kiểm soát thông qua hệ thống làm nguội (6).
4. Sau quá trình chiết xuất, chế phẩm chứa tinh chất yến được bơm qua bộ phân lọc tinh (3) để loại tạp chất, chế phẩm được chứa trong tank sản phẩm (4). Chế phẩm tinh chất yến được thu nhận cho quá trình tiếp theo trong quy trình sản xuất tinh chất yến.
5. Hệ thống được bộ phận CIP làm sạch để kết thúc quy trình chiết xuất.
Hệ thống thiết bị tự động hóa hoàn toàn và được tối ưu hóa thông số công nghệ chiết xuất tinh chất yến.
Loại/Quy mô/Hình thức sở hữu | Mô tả chi tiết | Giá bán dự kiến |
Thiết bị chiết xuất tổ yến | - Năng suất tối đa : 4 kg tổ yến. - Điện áp sử dụng: 220V hoặc 380V/50Hz. -Vật liệu chế tạo bằng inoxSUS 304 xuấtxứ Japan đáp ứng đủ tiêu chuẩn cho nhà máy thực phẩm hoạt động theo hệ thống HACCP, hệ thống quản lý an toàn thực phẩm tiêu chuẩn ISO 22000. - Van inox SUS304 tiêu chuẩn vi sinh dạng bướm tay rút, chuẩn kết nối clamp. - Bảng điều khiển tự động - Hệ thống đóng mở cửa tự động - Hệ thống làm mát - Hệ thống C.I.P | 350 triệu đồng |
Thời gian bảo hành: 12 tháng
| Địa chỉ: | 140 Lê Trọng Tấn, P.Tây Thạnh, Q.Tân Phú, TP.Hồ Chí Minh |
| Người đại diện: | PGS TS. Lê Thị Hồng Ánh |
| Điện thoại: | 02838163318 |
| Email: | yendt@cntp.edu.vn |
| Website: | http://foodtech.hufi.edu.vn |
-
Giải pháp giám sát nhiệt độ độ ẩm kho hàng hóa qua Internet
Giá tham khảo : 0 VND
☆☆☆☆☆Mã sản phẩm: E-Sensor IoT
-
Công nghệ chưng cất tinh dầu phân đoạn các loại tinh dầu có độ tinh khiết lớn hơn 99%
Giá tham khảo : 0 VND
★★★★★Mã sản phẩm: 20813
-
Giải pháp giám sát nhiệt độ, độ ẩm không dây E-SENSOR® STORAGE T
Giá tham khảo : 0 VND
☆☆☆☆☆Mã sản phẩm: 15013
-
Công nghệ chưng cất phân đoạn tinh dầu thực vật có độ tinh khiết lớn hơn 99%
Giá tham khảo : 0 VND
★★★★★Mã sản phẩm: 22282
-
Sáng chế Tháp sinh học (BIoTower(TM)) vạn vật kết nối (IoT)
Giá tham khảo : 0 VND
★★★★★Mã sản phẩm: 20647
-
Công nghệ tạo chủng vi sinh vật biểu hiện protein tái tổ hợp ở Bacillus subtilis
Giá tham khảo : 0 VND
☆☆☆☆☆Mã sản phẩm: 19339
-
Giải pháp giám sát nhiệt độ, độ ẩm xe chở hàng hóa qua internet
Giá tham khảo : 0 VND
☆☆☆☆☆Mã sản phẩm: 15012
-
Quy trình chiết xuất chitin và chitosan từ ấu trùng ruồi lính đen
Giá tham khảo : 0 VND
☆☆☆☆☆Mã sản phẩm: 22296
-
Công nghệ tiệt trùng bằng nhiệt độ và áp suất cao ứng dụng trong bảo quản thực phẩm
Giá tham khảo : 4,500,000,000 VND
★★★★★Mã sản phẩm: 20791
-
Giải pháp truy xuất nguồn gốc và chống giả cho nông sản ứng dụng công nghệ lượng tử nano
Giá tham khảo : 0 VND
★★★★★Mã sản phẩm: 27642
-
Nền tảng quản lý QR code xác thực truy xuất thông tin nông sản
Giá tham khảo : 0 VND
★★★★★Mã sản phẩm: 27640